全國服務熱線:
185-6872-3509
地址:河南省新鄉縣小冀鎮興隆路
如您對產品有任何問題,可以馬上聯系我們
詳情介紹
產品詳情介紹:
ZSG系列直線振動篩是一種新型篩分設備,具有效率高,磨損小,噪音低,壽命長,防污染,經濟方便,節能美觀等特點,廣泛適用于礦山、冶金、煤炭、化工、火電、建材等行業的大中小顆粒物料的篩分作業。尤以冶金行業用途廣泛,是高爐槽下、焦化廠、選礦廠常用的篩分設備,該機采用新型節能振動電機或激振器作振動源,橡膠彈簧支撐并隔振,具有處理量大、篩分效率高、篩網更換方便、安裝及維修簡單等優點。
工作原理及結構特點:
ZSG系列直線振動篩是利用振動電機或普通電機外拖動激振器,使篩體沿激振力方向作周期性往復振動物料在篩面上沿直線方向作拋物線運動,從而達到篩分目的。
ZSG系列直線振動篩由振動源、篩體、篩網、減振裝置和底托組成,篩機側板采用優質鋼板制作而成,側板與橫梁、激振器底座采用高強度螺栓或環槽鉚釘連接,結構合理,堅固耐用。
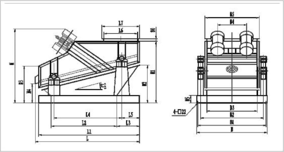
配振動電機示意圖:

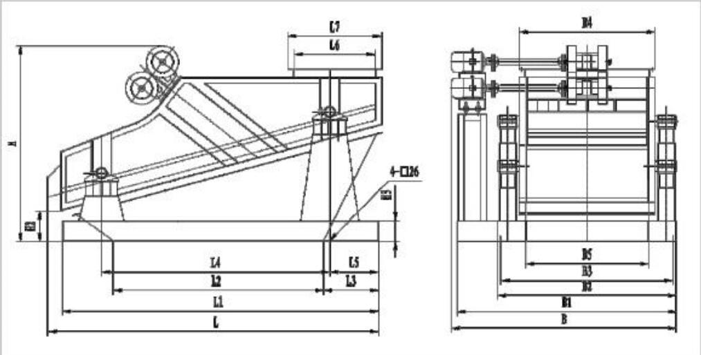
配激振器示意圖:

技術參數(配用振動電機)
型號 | 入篩粒度mm | 處理能力t/h | 配用振動電機 | 電壓 V | 功率 kw |
ZSGB-1020 | ≤150 | 10-180 | YZO-17-4 | 380V | 0.75*2 |
ZSGB-1224 | ≤250 | 10-200 | YZO-20-6 | 2.0*2 | |
ZSGB-1030 | 15-250 | YZO-20-6 | 2.0*2 | ||
ZSGB-1230 | 20-300 | YZO-30-6 | 2.5*2 | ||
ZSGB-1530 | 20-350 | YZO-50-6 | 3.7*2 | ||
ZSGB-1020 | ≤150 | 10-180 | YZO-20-6 | 2.0*2 | |
ZSGB-1224 | ≤250 | 10-200 | YZO-30-6 | 2.5*2 | |
ZSGB-1030 | 15-250 | YZO-30-6 | 2.5*2 |
技術參數(配用激振器)
型號 | 入篩 粒度(mm) | 處理能力 (t/h) | 激振器 型號 | 電機 | ||
型號 | 功率(kw) | 電壓(V) | ||||
ZSGB-15*36 | <200 | 50-360 | CJZ-130-6 | Y132M1-6 | 2*4.0 | 380 |
ZSGB-15*40 | 50-400 | CJZ-160-6 | Y132M2-6 | 2*5.5 | ||
ZSGB-18*36 | 60-460 | CJZ-100-6 | Y132M2-6 | 2*5.5 | ||
ZSGB-15*50 | 70-400 | CJZ-160-6 | Y132M2-6 | 2*5.5 | ||
ZSGB-18*48 | 80-500 | CJZ-130-6 | Y132M2-6 | 2*5.5 | ||
ZSGB-20*40 | 80-560 | CJZ-130-6 | Y132M2-6 | 2*5.5 | ||
ZSGB-20*50 | 90-600 | CJZ-160-6 | Y132M-6 | 2*7.5 | ||
ZSGB-15*36 | 50-360 | CJZ-160-6 | Y132M2-6 | 2*5.5 | ||
ZSGB-15*40 | 50-400 | CJZ-160-6 | Y132M2-6 | 2*5.5 | ||
ZSGB-18*36 | 60-460 | CJZ-100-6 | Y132M2-6 | 2*5.5 | ||
ZSGB-15*50 | 70-400 | CJZ-180-6 | Y132M2-6 | 2*5.5 | ||
ZSGB-18*48 | 80-500 | CJZ-130-6 | Y132M2-8 | 2*7.5 | ||
ZSGB-20*40 | 80-560 | CJZ-130-6 | Y132M2-8 | 2*7.5 | ||
ZSGB-20*50 | 90-600 | CJZ-160-6 | Y132L-8 | 2*11 | ||
-
承諾服務
管家式售后服務體系,真正讓你后顧無憂
-
質量認證
工程質量有認證,豐富的工程實踐經驗
-
實力過硬
深耕行業近十年,擁有行業主流技術
-
專注領域
振動設備研發、生產、銷售、服務于一體
篩分設備
雙層滾筒篩